These are suitable for conventional and CNC milling machine with draw bar.
| Taper Size | øD | øD1 | ød1 | L1 | L2 | L3 |
|---|---|---|---|---|---|---|
| ISO 30 | 31.75 | 50.0 | M12 | 8.0 | 9.6 | 68.4 |
| ISO 40 | 44.45 | 63.0 | M16 | 10.0 | 11.6 | 93.4 |
| ISO 50 | 69.85 | 97.5 | M24 | 12.0 | 15.2 | 126.8 |
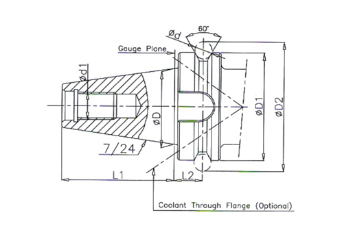
| Taper Size |
øD | øD1 h8 |
øD2 (+0.05) |
ød1 6H |
Measuring Pin ød |
L1 (+0.2) |
L2 (+0.1) |
|---|---|---|---|---|---|---|---|
| BT 30 | 31.75 | 46 | 56.144 | M12 | 8 | 48.4 | 13.6 |
| BT 40 | 44.45 | 63 | 75.679 | M16 | 10 | 65.4 | 16.6 |
| BT 45 | 57.15 | 85 | 100.216 | M20 | 12 | 82.8 | 21.2 |
| BT 50 | 69.85 | 100 | 119.020 | M24 | 15 | 101.8 | 23.2 |
| Taper Size |
øD | øD1 (-0.1) |
øD2 (+0.05) |
øD3 Max |
øD1 6H |
Measuring Pin ød |
L1 (-0.3) |
L2 (+0.1) |
L3 Min |
|---|---|---|---|---|---|---|---|---|---|
| TC 30 | 31.75 | 50.00 | 59.3 | 45 | M12 | 7 | 47.8 | 11.1 | 35 |
| TC 40 | 44.45 | 63.55 | 72.3 | 50 | M16 | 7 | 68.4 | 11.1 | 35 |
| TC 45 | 57.15 | 82.55 | 91.35 | 63 | M20 | 7 | 82.7 | 11.1 | 35 |
| TC 50 | 69.85 | 97.50 | 107.25 | 80 | M24 | 7 | 101.75 | 11.1 | 35 |
For the diverse requirements of our clients we are involved in offering an extensive range of Morse Taper Shank. Offered products create a conical seating to accommodate the conical head of a component such as screws. These are made using superior quality material and sophisticated technology that ensures their long life. Additionally, these can be availed at industry leading prices.
| Part No. | D (mm.) (in.) | A (mm.) (in.) | Nut Style/Part No. | Wrench |
|---|---|---|---|---|
| HSK63ARD16 | 22 | 100 3.94 | M-30016 | 22016 |
| HSK63ARD20 | 0.87 | 100 3.94 | E-30127 | 22120 |
| HSK63ARD25 | 35 | 100 3.94 | E-30125 | 22125 |
| HSK63ARD32 | 1.38 | 100 3.94 | E-30132 | 22132 |
| HSK63ARD40 | 42 | 100 4.73 | E-30140 | 22140 |
Being the leading names in industry we are into offering a quality approved range of BT Shank. These are made using fine quality material and advanced technology under the guidance of our experts. These are used for clamping tools and are highly acclaimed among our clients due to their availability in various specifications as per the clients needs. In addition to this, we also assure to deliver our products in a stipulated time frame.
Item Code : inch-sizes